丝瓜视频网站,丝瓜视频黄色免费,丝瓜黄色视频软件,丝瓜视频旧版色板下载网站在线看

后倾式丝瓜视频黄色免费YWFB280

产品详情

1.产品简介

  ①性能参数:产品额定电压有115V、120V、230V等三种,额定电流范围在0.3~3A左右,输入功率有78/102W,190及380W等,可提供最大达2000m³的风量,产生的噪音一般低于70dB(A)。

  ②组成部件:高效外转子交流电机、镀锌钢板叶轮、免维护深沟球滚珠轴承、静电粉末喷塑转子

  ③技术特性:11块叶片风轮,IP54或IP44防护等级,B级或F级绝缘等级,S1连续运作模式,可任意安装,内置过载热保护,美国UL和欧洲CE产品认证

  ④产品特点:具有使用寿命长、免维护、高效率、低功耗,高经济性,设计紧凑,节省空间,美观,低压启动等特点。

  ⑤安装方式:标准安装方式为轴与地面平行安装或者转子在下,也可以根据客户需要转子在上面。

  ⑥产品应用:适用于对噪音要求严的环境及空调系统,如与工业制冷系统、新风系统、厨卫风机、消防风机、通信设备散热器、小型冷凝机组、空气净化器、空气过滤器、屋顶风机、工业设备散热、冷风机组、模块机组、空调天花机等设备配套使用。

  后倾式丝瓜视频黄色免费由过载热保护外转子电机、高效后倾式圆弧形离心叶轮两部分组成。叶轮全部采用模具化生产,经精密动平衡机器高速校验,具有体积小,效率高,风量大,振动小,噪音低,性能优越,安装调试方便等优点,是空调、净化、冷冻行业较理想的配套产品。广泛适用于宾馆、饭店、学校、工厂等场所和民用、工业建筑的通风换气。

  丝瓜视频网站丝瓜视频黄色免费的分类、产品应用、风机结构、设计选用说明、风机型号说明、产品认证详见:外转子丝瓜视频黄色免费YWF系列产品概述


2.技术参数

型号额定电压频率额定电流输入功率转速最大风量电容噪音曲线
YWFB2E280 230500.8519024501900567
YWFB2E280H120603.1380310020503085
YWFB4E28023050/600.36/0.4678/1021420/16301400/1600362/67③④
11550/600.72/0.9278/1021420/16301400/16001262/67


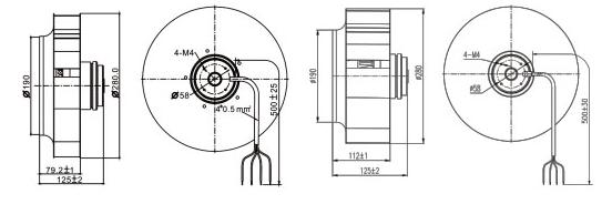
3.外形尺寸图


4.风量风压曲线图

电话

7×24小时服务热线 0574-28825866

返回 顶部
网站地图